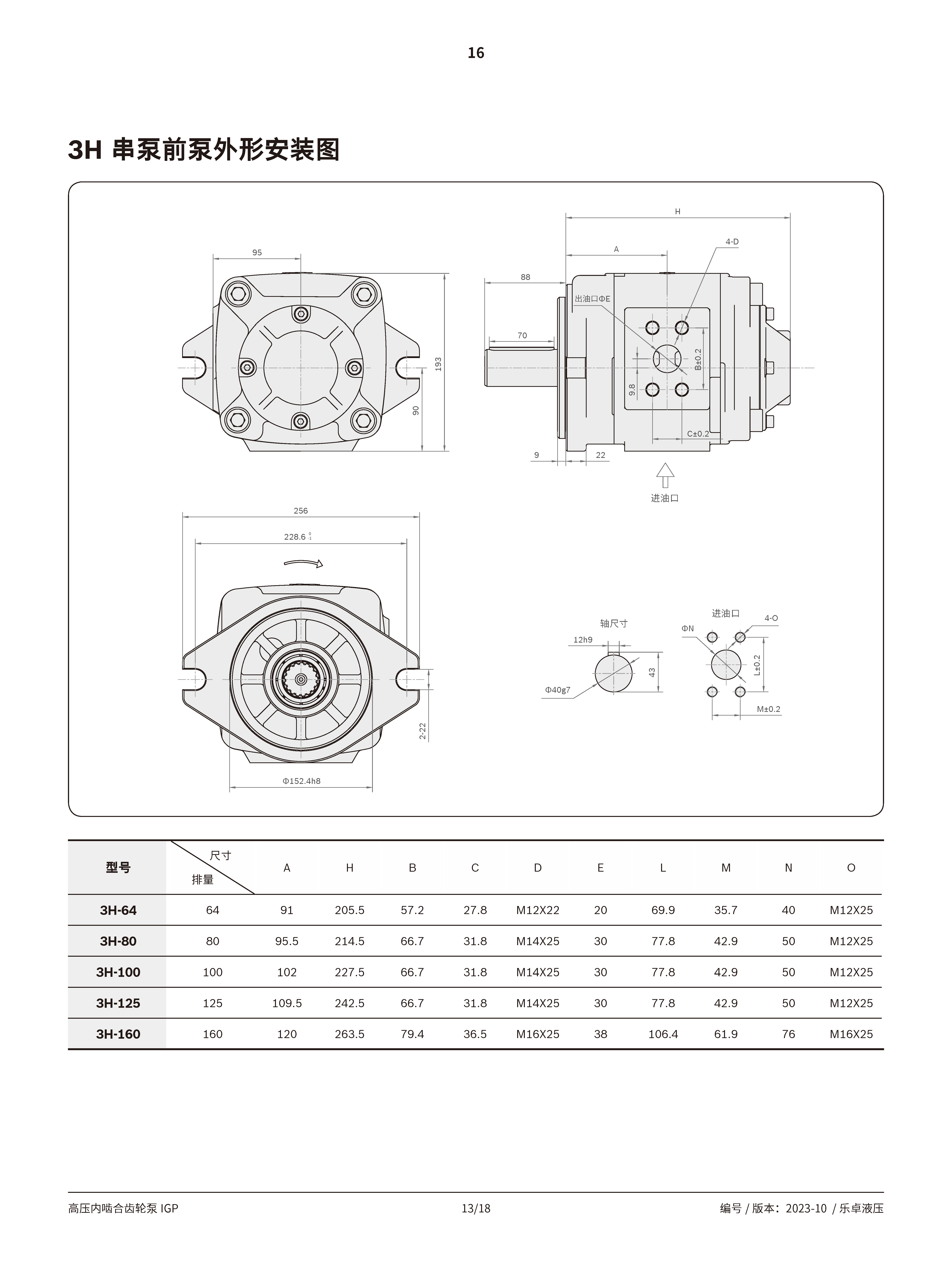
• 高壓內嚙合齒輪泵 IGP

高壓內嚙合齒輪泵 IGP



高壓內嚙合齒輪幫浦是一種具有國際先進等級的液壓動力元件。 廣泛應用於射出成型機、折彎機、剪板機、油壓機、鞋機、堆高機等機械領域。

高壓內嚙合齒輪幫浦優異的低速性能,使得伺服馬達驅動,在有保壓工作需求的場合可以達到大幅降低能耗的效果。


.本泵浦專為工業級高壓力需求設計
噪音低
流量和壓力脈衝小
轉速範圍廣
採用間隙補償設計可以讓油泵獲得更高的效率
關注